Well about two years back I posted my idea for the project on the Spudtech forum. I have since forgot my old name and password, so I just created a new one.
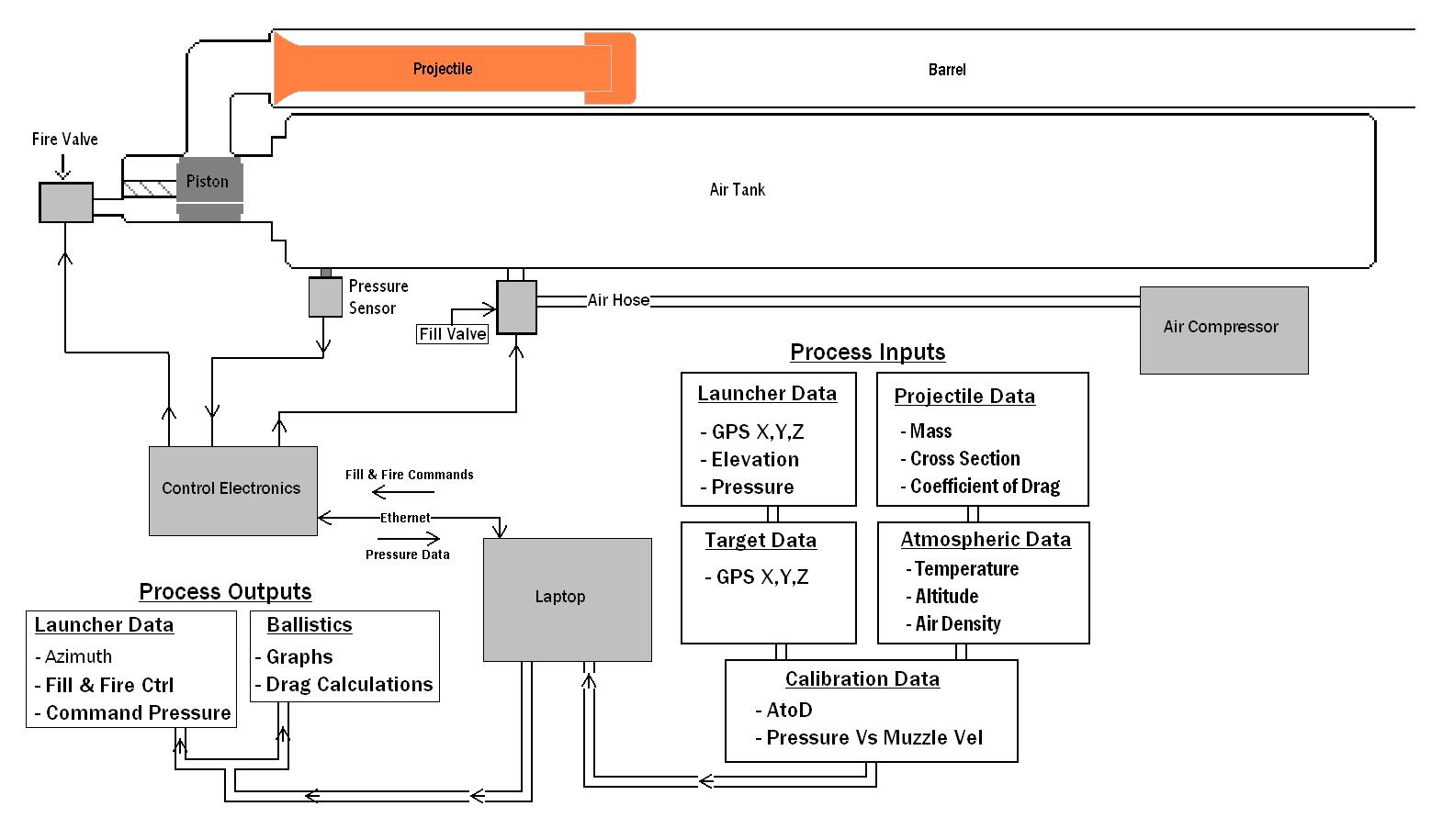
The computer is connected to a rabbit proccesor via an ether net cable. (I think someone asked)
Im sorry, I know this is still vary vage. But I should be able to put some stuff up tonight.
And when it comes to video I think yall will be happy. I had some profesional high speed video take to confirm the muzzle velocity. Its pretty sweet looking! Yall will hopefully enjoy it!
GPS Targeted Pneumatic Launcher
-
charred_cookie
- Private

- Posts: 11
- Joined: Thu May 22, 2008 4:38 pm
- Location: Alabama
Ok so here is some more stuff on my Project.
Sadly all of my data is recorded in a notebook, and are not on my computer. And the videos are far to large to Post.
I will try to scan some of the important stuff and post it a little later on.
Sadly all of my data is recorded in a notebook, and are not on my computer. And the videos are far to large to Post.
I will try to scan some of the important stuff and post it a little later on.
- Attachments
very nice work. Not as bad ass looking as I was picturing but still a very nice cannon/program you have made.
I would recommend a jet-black paint job with a few warning decals on it. Hell, maybe even a few different colored led lights around the muzzle for some high-tech pizazz lol.
Again, nice work
I would recommend a jet-black paint job with a few warning decals on it. Hell, maybe even a few different colored led lights around the muzzle for some high-tech pizazz lol.
Again, nice work
Forum Rules - follow them or else!
“Happiness is the meaning and the purpose of life, the whole aim and end of human existence”
“Happiness is the meaning and the purpose of life, the whole aim and end of human existence”
-
charred_cookie
- Private

- Posts: 11
- Joined: Thu May 22, 2008 4:38 pm
- Location: Alabama
Haha yea its not actually all that intimidating looking, But it fires very well and consistently. (Which is what I needed for the project)
- TwitchTheAussie
- Corporal 5

- Posts: 980
- Joined: Tue Feb 06, 2007 3:23 am
Kinda reminds of a a mortar. Not as good looking as I thought it would be but hey its got balls and thats what counts for me :thumbright:
Raise your horns if you love metal.
CpTn_lAw
-spudgunning is like sex, once you've tasted, you can't wait til next time.
CpTn_lAw
- knappengineering
- Specialist

- Posts: 137
- Joined: Sun Jun 24, 2007 1:01 pm
- Contact:
I'm just curious, what did you use to make your UI program? I'm thinking of making something similar.
Knapp Engineering
www.ewr24.com
www.ewr24.com
-
charred_cookie
- Private

- Posts: 11
- Joined: Thu May 22, 2008 4:38 pm
- Location: Alabama
'Lab Windows CVI' was the software I used.
It is super easy to use if you are competent with C, and it has some great example programs if you ever get stuck.
After I finished the project I actually got a call from a guy that worked for National Instruments. He heard that I had used their product for my project, and he wants me to give a talk at one of there quarterly meetings to demonstrate how I had implemented there program.
It is super easy to use if you are competent with C, and it has some great example programs if you ever get stuck.
After I finished the project I actually got a call from a guy that worked for National Instruments. He heard that I had used their product for my project, and he wants me to give a talk at one of there quarterly meetings to demonstrate how I had implemented there program.
- knappengineering
- Specialist

- Posts: 137
- Joined: Sun Jun 24, 2007 1:01 pm
- Contact:
That sounds interesting, I'll have to look into it. I was thinking of just using Visual C++ for mine.
Knapp Engineering
www.ewr24.com
www.ewr24.com
-
charred_cookie
- Private

- Posts: 11
- Joined: Thu May 22, 2008 4:38 pm
- Location: Alabama
I dont know how much CVI costs, but it is very similar to Lab View if your familure with that. We use CVI at my work all the time, so I just used it that.
- knappengineering
- Specialist

- Posts: 137
- Joined: Sun Jun 24, 2007 1:01 pm
- Contact:
Yeah, I just looked it up and it is very expensive. I might be able to get Lab View from my robotics team or I'll just use Visual C++ as planned, or maybe even Java.
Knapp Engineering
www.ewr24.com
www.ewr24.com
- MaxuS the 2nd
- Corporal 2

- Posts: 674
- Joined: Sat Jan 19, 2008 3:59 pm
I severely doubt that launcher is capable of firing 600m.
..Got any videos?
..Got any videos?
Badman
- POLAND_SPUD
- Captain

- Posts: 5402
- Joined: Sat Oct 13, 2007 4:43 pm
- Been thanked: 1 time
yeah there are no specs of the gun...
that's really amazing project... well even if it is just another PVC pneumatic with a bit of electronics
are you going to upgrade the gun itself ? like make it all steel and fire it at 400 psi ?
that's really amazing project... well even if it is just another PVC pneumatic with a bit of electronics
are you going to upgrade the gun itself ? like make it all steel and fire it at 400 psi ?
I am interested in the actual pressure sensing and firing devices you used. Also, did you use sound card IO on the computer or something else?
Nice build you have there!
Edit: Opps sorry read it again....you mentioned the Rabbit controller.
Nice build you have there!
Edit: Opps sorry read it again....you mentioned the Rabbit controller.
Create an account or sign in to join the discussion
You need to be a member in order to post a reply
Create an account
Not a member? register to join our community
Members can start their own topics & subscribe to topics
It’s free and only takes a minute
Sign in
-
- Similar Topics
- Replies
- Views
- Last post
-
- 3 Replies
- 2764 Views
-
Last post by frogy
-
- 19 Replies
- 4372 Views
-
Last post by Brian the brain
-
- 1 Replies
- 1294 Views
-
Last post by warhead052
-
- 17 Replies
- 7622 Views
-
Last post by jackssmirkingrevenge
-
- 4 Replies
- 662 Views
-
Last post by nathan549




