Barrels
To be honest, I didn't really read the entire first post. I saw the thread was in the pneumatic cannon discussion and not the BB/Pellet gun discussion. And I kind of just posted what I thought would help but apparently not. Will read next time lol 
- mattyzip77
- Sergeant 3


- Posts: 1249
- Joined: Tue Jun 28, 2011 12:22 pm
- Location: Taxachusetts
Thank you, and wasnt being a douche, just read the thread dude!!MrCrowley wrote:To be fair to matty, the entire discussion is solely about air rifle pellets (or at least diameters). It would be pretty hard to miss that if you read the first post.
Go Bruins!!!!
- wyz2285
- First Sergeant 2


- Posts: 2390
- Joined: Sat Mar 06, 2010 7:50 am
- Location: Porto, Portugal
- Has thanked: 1 time
- Been thanked: 4 times
- Contact:
Stop using exclamation mark every time you writes, please!!
CpTn_lAw wrote:"yay, me wanna make big multishot pnoob with 1000 psi foot pump compressor using diamond as main material. Do you think wet bread make good sealant? "
![]()
- Gippeto
- First Sergeant 3


- Posts: 2506
- Joined: Sat Jan 19, 2008 10:14 am
- Location: Soon to be socialist shit hole.
- Has thanked: 2 times
- Been thanked: 17 times
Couple things come to mind about your drawing...
If you keep it like that, you'll not be needing to chamber the barrel...square it off, chamfer @ 60 degrees, polish this bit and yer done. Keep tolerances as close as possible though...or you'll have problems.
An awful lot of dead space though.
You don't want the pellet making a transition from your receiver into the barrel during the shot cycle...make the bolt longer such that it seats the pellet completely into the barrel. Keep in mind that the "pin" probe you've drawn will seat varying pellets to different depths as the hollow section of the skirt varies with weight and manufacturer.
This is "in part" anyway, why I'm liking the flow through bolts...every pellet gets seated to the same depth. The pellets also are encouraged to enter the rifling "square".
Magazines "handle" the pellets...IMO anything that handles the pellets creates opportunities to damage those pellets. For greatest accuracy potential, I would stick with single shot. There certainly are accurate rifles with magazines though....it's up to you.
Transfer port should be .100" max for .177. If you build it as drawn, I'll suggest you drill and tap from the side into the transfer port, and install an adjustable restrictor screw. The Air Arms has this and it allows for an easily adjustable power output.
Give some thought as to how you're going to attach the receiver to the main tube and seal the transfer port to the valve as well. With the "saddle" on the underside of the receiver a couple quality #8 screws will be plenty.
Scope attachment also needs to be thought out. Could cut a rail (11mm dovetail or weaver/picatinny...whatever you have room for) or drill and tap for a bolt on weaver rail. Watch the height of the magazine...it might interfere with scope mounting.
Making the receiver a little "taller", gives you the option of adding forward slope to the rail... 1/8"FS over 6" is IIRC something like 27moa..this would pay dividends for scope adjustment if you intended to do any longer range shooting.
Will let you chew on that for a bit.
If you keep it like that, you'll not be needing to chamber the barrel...square it off, chamfer @ 60 degrees, polish this bit and yer done. Keep tolerances as close as possible though...or you'll have problems.
An awful lot of dead space though.
You don't want the pellet making a transition from your receiver into the barrel during the shot cycle...make the bolt longer such that it seats the pellet completely into the barrel. Keep in mind that the "pin" probe you've drawn will seat varying pellets to different depths as the hollow section of the skirt varies with weight and manufacturer.
This is "in part" anyway, why I'm liking the flow through bolts...every pellet gets seated to the same depth. The pellets also are encouraged to enter the rifling "square".
Magazines "handle" the pellets...IMO anything that handles the pellets creates opportunities to damage those pellets. For greatest accuracy potential, I would stick with single shot. There certainly are accurate rifles with magazines though....it's up to you.
Transfer port should be .100" max for .177. If you build it as drawn, I'll suggest you drill and tap from the side into the transfer port, and install an adjustable restrictor screw. The Air Arms has this and it allows for an easily adjustable power output.
Give some thought as to how you're going to attach the receiver to the main tube and seal the transfer port to the valve as well. With the "saddle" on the underside of the receiver a couple quality #8 screws will be plenty.
Scope attachment also needs to be thought out. Could cut a rail (11mm dovetail or weaver/picatinny...whatever you have room for) or drill and tap for a bolt on weaver rail. Watch the height of the magazine...it might interfere with scope mounting.
Making the receiver a little "taller", gives you the option of adding forward slope to the rail... 1/8"FS over 6" is IIRC something like 27moa..this would pay dividends for scope adjustment if you intended to do any longer range shooting.
Will let you chew on that for a bit.
"It could be that the purpose of your life is to serve as a warning to others" – unknown
Liberalism is a mental disorder, reality is it's cure.
Liberalism is a mental disorder, reality is it's cure.
wyz;wyz2285 wrote:Stop using exclamation mark every time you writes, please!!do you yell every times you open your mouth in real life too?
Be a little considerate here.
Be a little considerate here!
Be a little considerate here.!!
BE A LITTLE CONSIDERATE HERE! (Now that is yelling)
- mattyzip77
- Sergeant 3


- Posts: 1249
- Joined: Tue Jun 28, 2011 12:22 pm
- Location: Taxachusetts
SORRY

Go Bruins!!!!
- wyz2285
- First Sergeant 2


- Posts: 2390
- Joined: Sat Mar 06, 2010 7:50 am
- Location: Porto, Portugal
- Has thanked: 1 time
- Been thanked: 4 times
- Contact:
Sorry
but it does makes me feel annoyed 
Gippeto: So I should drill a hole on my 100 euro barrel?
About the magazine, it´s giving me a lot of work design a proper one for machining, so I´d be more than happy about get rid of it
Gippeto: So I should drill a hole on my 100 euro barrel?
About the magazine, it´s giving me a lot of work design a proper one for machining, so I´d be more than happy about get rid of it
Last edited by wyz2285 on Sun May 13, 2012 2:03 pm, edited 2 times in total.
CpTn_lAw wrote:"yay, me wanna make big multishot pnoob with 1000 psi foot pump compressor using diamond as main material. Do you think wet bread make good sealant? "
![]()
- mattyzip77
- Sergeant 3


- Posts: 1249
- Joined: Tue Jun 28, 2011 12:22 pm
- Location: Taxachusetts
Wasnt tryin to annoy you, just how I type, look at any one of my posts and there will be a exclamation point!! Think of it as my sig!!
Go Bruins!!!!
-
Goats spudz
- Specialist 4

- Posts: 458
- Joined: Tue Aug 02, 2011 12:31 pm
- Contact:
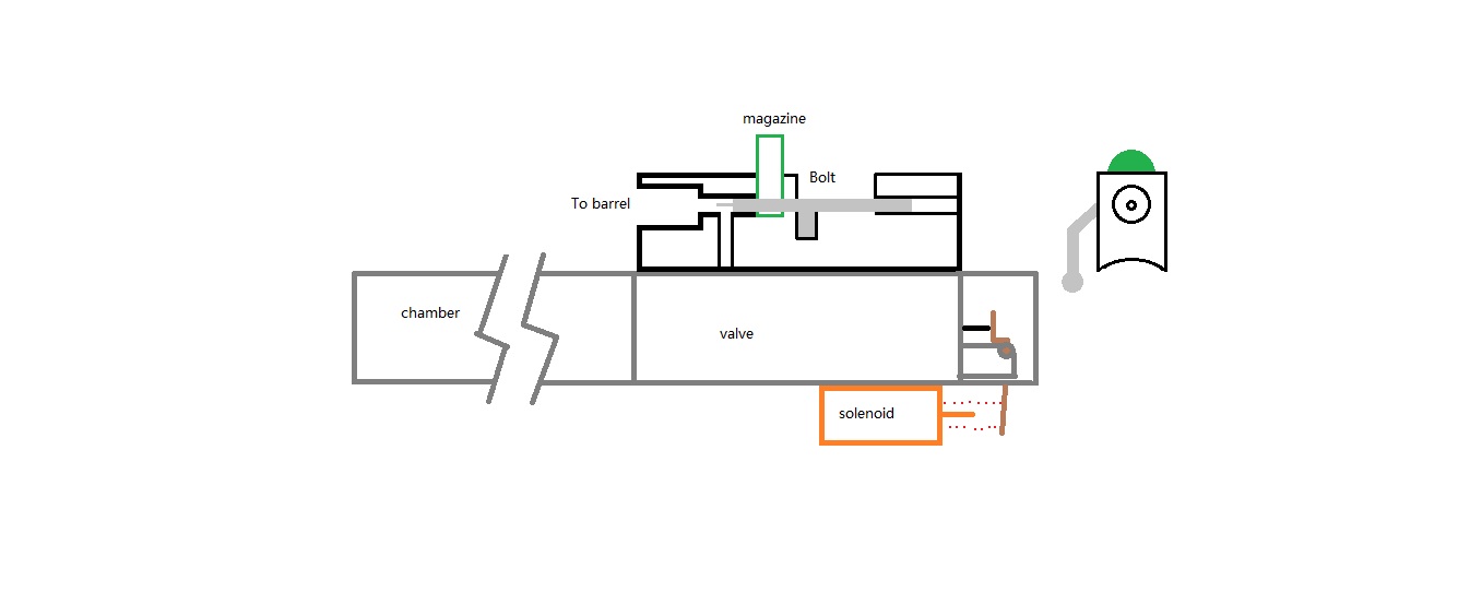
Wyz you want something like this
- Attachments
-
- look at the transfer block part
- wyz thng.jpg (39.16 KiB) Viewed 4493 times
Where's my Chuck key?
- wyz2285
- First Sergeant 2


- Posts: 2390
- Joined: Sat Mar 06, 2010 7:50 am
- Location: Porto, Portugal
- Has thanked: 1 time
- Been thanked: 4 times
- Contact:
Then when I fire it the pellet will have to pass through the barrel/tube section, the accuracy probably is ruined. No?
CpTn_lAw wrote:"yay, me wanna make big multishot pnoob with 1000 psi foot pump compressor using diamond as main material. Do you think wet bread make good sealant? "
![]()
-
Goats spudz
- Specialist 4

- Posts: 458
- Joined: Tue Aug 02, 2011 12:31 pm
- Contact:
The pellet probe should push the pellet into the rifled barrel, to reduce deadspace you could make the transfer tube as short as possiblewyz2285 wrote:Then when I fire it the pellet will have to pass through the barrel/tube section, the accuracy probably is ruined. No?
Where's my Chuck key?
-
warhead052
- Staff Sergeant 3

- Posts: 1769
- Joined: Mon Mar 21, 2011 5:41 pm
That may not work the way you intend, plus it will be difficult enough to line up the holes. Why not just go ahead and have it built together, like a pellet rifle that you could buy?
-
Goats spudz
- Specialist 4

- Posts: 458
- Joined: Tue Aug 02, 2011 12:31 pm
- Contact:
Why would it be hard to line up the holes, if the transfer part is the same dia and internal dia and the boring is done correctly it should line up perfectly, any good machinist would do it,
Where's my Chuck key?
Create an account or sign in to join the discussion
You need to be a member in order to post a reply
Create an account
Not a member? register to join our community
Members can start their own topics & subscribe to topics
It’s free and only takes a minute
Sign in
-
- Similar Topics
- Replies
- Views
- Last post
-
- 13 Replies
- 4179 Views
-
Last post by VH_man
-
- 10 Replies
- 5674 Views
-
Last post by Scotty
-
- 24 Replies
- 8976 Views
-
Last post by starman
-
- 18 Replies
- 7662 Views
-
Last post by warhead052
-
- 5 Replies
- 2690 Views
-
Last post by OuchProgramme


