A place for general potato gun questions and discussions.
-
jackssmirkingrevenge
- Five Star General

- Posts: 26216
- Joined: Thu Mar 15, 2007 11:28 pm
- Has thanked: 576 times
- Been thanked: 347 times
Wed Jun 23, 2010 7:36 am
Insomniac wrote:Don't power your servos from the USB port. HXT900 servos (a well known, small, very popular 9g servo) can peak at just under half an amp of current draw under load. This of course rapidly drops to somewhat less, but with two of your rather larger servos I don't think it's a good idea to run off USB power.
As above, ordered an AC adapter for the servos and controller.
Can I point out the not impossible alternative that you might damage the computer? That is a bit more of a costly mistake.
How might that happen exactly?
hectmarr wrote:You have to make many weapons, because this field is long and short life
-
Insomniac
- Sergeant 3

- Posts: 1297
- Joined: Mon Dec 18, 2006 3:47 pm
- Location: Australia
Wed Jun 23, 2010 8:02 am
Well, if you draw too many amps from the USB (as a previous poster mentioned, they don't always manufacture them to the standards set), somthing could potentially fail within the power supply... it might mean that just that port will no longer work, or it could cause a voltage spike or somthing else which may wipe out some other components. It's not unknown for a power supply to take out other bits of the PC when it fails.
I wonder how much deeper the ocean would be without sponges.
Right now I'm having amnesia and deja vu at the same time. I think I've forgotten this before.
Add me on msn!!! insomniac-55@hotmail.com
-
Ragnarok
- Captain

- Posts: 5401
- Joined: Tue Dec 19, 2006 8:23 am
- Location: The UK
Wed Jun 23, 2010 8:57 am
It's not particularly likely, but the wrong mistake could cause a short or something else that would burn out components of the computer.
And as Insomniac says, that could be anything from just a dead port, to the loss of several components.
In the end, it's always best not to assume that you know which component will fail.
Does that thing kinda look like a big cat to you?
-
jimmy101
- Sergeant Major 2


- Posts: 3209
- Joined: Wed Mar 28, 2007 9:48 am
- Location: Greenwood, Indiana
- Has thanked: 6 times
- Been thanked: 18 times
-
Contact:
Wed Jun 23, 2010 3:20 pm
chinnerz wrote:YES, but as other have stated, the power out is in correct. So you will need to make a pwm circuit.... or use a voltage regulator (less efficient but smaller i guess)
Why in the world would you go to all the trouble of PWM?
A series resistor is all that is needed. If you want to get fancy, then a 3-pin voltage regulator (perhaps wired up as a current regulator).
-
sgort87
- Corporal 5

- Posts: 994
- Joined: Sun Sep 18, 2005 10:32 am
- Location: Lockport, Illinois
Wed Jun 23, 2010 3:51 pm
Solution: Use a USB hub with its power transformer connected.
-
dewey-1
- Sergeant 3

- Posts: 1298
- Joined: Wed Mar 28, 2007 10:24 am
- Location: NE Wisconsin USA
Wed Jun 23, 2010 3:55 pm
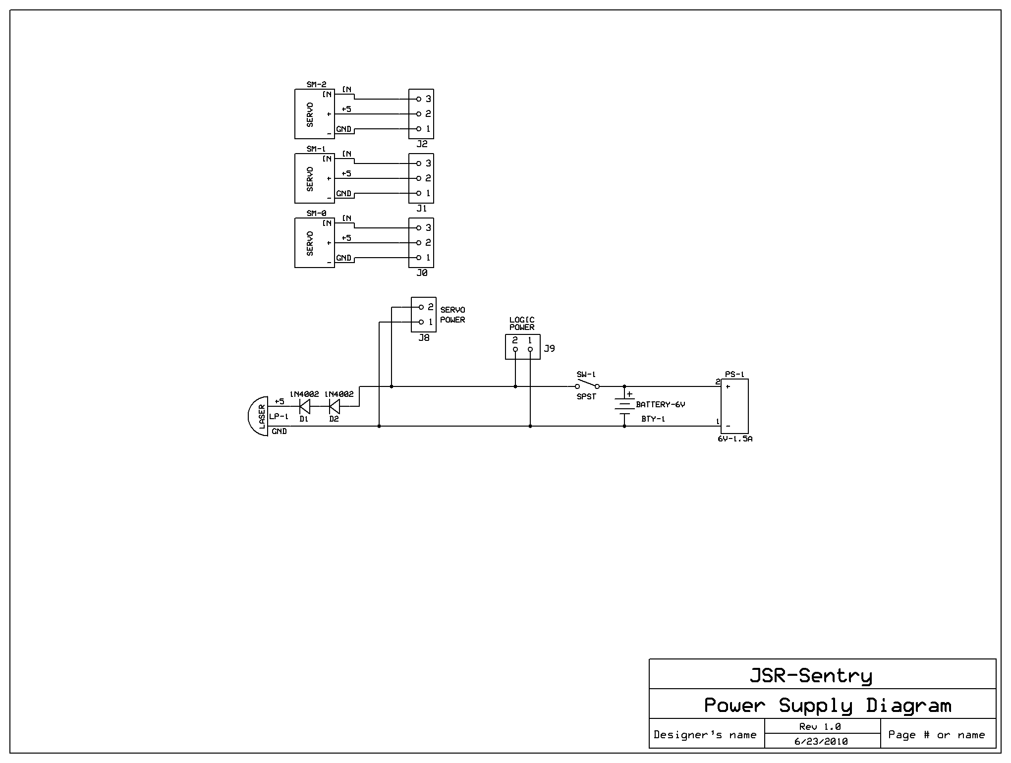
Another solution for laser power is just using 2 or 3 1N4002 in series to the positive lead of laser from external power supply. (6vdc-1.5A)
This will power the servos, controller and laser.
I will be sending JSR a schematic later today.
The only thing on the USB port will be his camera.
-
Attachments
-

- JSR-SENTRY.png (7.47 KiB) Viewed 2761 times
-
jackssmirkingrevenge
- Five Star General

- Posts: 26216
- Joined: Thu Mar 15, 2007 11:28 pm
- Has thanked: 576 times
- Been thanked: 347 times
Wed Jun 23, 2010 11:40 pm
Cheers for that Duane!
So,
this is the 6V 1.5A power adapter I ordered.
Are
these the diodes I want?
Also, one question, why is the battery still included in the circuit?
hectmarr wrote:You have to make many weapons, because this field is long and short life
-
Technician1002
- Captain

- Posts: 5189
- Joined: Sat Apr 04, 2009 11:10 am
Thu Jun 24, 2010 12:25 am
The battery is used to provide the peak currents to accelerate the servos that the wall wart won't provide. 3 standard servos all trying to start at the same time can draw upwards of 5 amps total for a few tenths of a second. The voltage will sag and the electronics will go nuts. With the battery the servos just jump to attention.
It's like the lights dim momentarily when you start the vacuum, table saw, large AC or other large motor in a room. Servos draw a starting surge too. Average current is much less.
Standard servos draw up to 500mA each at stall on 5 V. Digital servos can draw up to 1200 mA on startup. High speed high torque servos can draw up to 2000mA each. This start current exceeds the wall adapter current you bought. Average servo current while running is in the order of 50-200 ma so you can calculate run time on a rechargeable pack while flying a model airplane. Average varies depending if you are running slowly like a thermal glider or doing aerobatics with a sport plane.
-
jackssmirkingrevenge
- Five Star General

- Posts: 26216
- Joined: Thu Mar 15, 2007 11:28 pm
- Has thanked: 576 times
- Been thanked: 347 times
Thu Jun 24, 2010 12:43 am
I figured it would be used as some sort of "buffer", will my current setup of 4 x 1.5V AA cells do or is there something better I can purchase?
hectmarr wrote:You have to make many weapons, because this field is long and short life
-
Insomniac
- Sergeant 3

- Posts: 1297
- Joined: Mon Dec 18, 2006 3:47 pm
- Location: Australia
Thu Jun 24, 2010 2:27 am
Wouldn't it be possible to use a large capacitor rather than a battery?
I wonder how much deeper the ocean would be without sponges.
Right now I'm having amnesia and deja vu at the same time. I think I've forgotten this before.
Add me on msn!!! insomniac-55@hotmail.com
-
dewey-1
- Sergeant 3

- Posts: 1298
- Joined: Wed Mar 28, 2007 10:24 am
- Location: NE Wisconsin USA
Thu Jun 24, 2010 2:39 pm
jackssmirkingrevenge wrote:Cheers for that Duane!
So,
this is the 6V 1.5A power adapter I ordered.
Are
these the diodes I want?
Also, one question, why is the battery still included in the circuit?
Yes those are the type of diodes to use. Can you get them locally?
I left the batteries in there as a "buffer" as tech mentioned.
Being you are using rechargeable alkaline batteries, you should be good to go without any other types of batteries.
You could try and remove the batteries once it is functioning, to see if you get any hesitations or false signals that would impair proper operation.
Hopefully you understood the schematic for the different control board connections.
-
jackssmirkingrevenge
- Five Star General

- Posts: 26216
- Joined: Thu Mar 15, 2007 11:28 pm
- Has thanked: 576 times
- Been thanked: 347 times
Thu Jun 24, 2010 2:45 pm
dewey-1 wrote:Yes those are the type of diodes to use. Can you get them locally?
It's probably cheaper to ship them from Hong Kong, these day's I'm using eBay for almost all my shopping needs!
Hopefully you understood the schematic for the different control board connections.
If I got it correctly, it's just a question of wiring the AC adapter's + and - terminals to the current battery pack's + and - terminals respectively, yes? And taking the leads for the pointer supply from the same pack, with the diodes wired in series?
hectmarr wrote:You have to make many weapons, because this field is long and short life