Solenoid actuated hammer valve
- wyz2285
- First Sergeant 2


- Posts: 2390
- Joined: Sat Mar 06, 2010 7:50 am
- Location: Porto, Portugal
- Has thanked: 1 time
- Been thanked: 4 times
- Contact:
search: solenoid puh type. My is a pull type and that´s not good for my uses, I should have bought a push type.
CpTn_lAw wrote:"yay, me wanna make big multishot pnoob with 1000 psi foot pump compressor using diamond as main material. Do you think wet bread make good sealant? "
![]()
I just came across a flashing LED lamp project my sister did in technology class at school years ago.
It uses a cheap basic LED flasher IC (http://www.technobase.jp/eclib/OTHER/DA ... /m34xl.pdf).

I just hooked up a MOSFET power transistor instead of the LED, and it now powers a 24W 12V solenoid.
Not something I'd be using, and there are many other ways to do this, but it's a very simple and cheap way to get full auto solenoid pulsing.
The rate of blinking is fixed on each chip, and it seems them come in 1, 2, 4, and 8 pulses per second.
It uses a cheap basic LED flasher IC (http://www.technobase.jp/eclib/OTHER/DA ... /m34xl.pdf).

I just hooked up a MOSFET power transistor instead of the LED, and it now powers a 24W 12V solenoid.
Not something I'd be using, and there are many other ways to do this, but it's a very simple and cheap way to get full auto solenoid pulsing.
The rate of blinking is fixed on each chip, and it seems them come in 1, 2, 4, and 8 pulses per second.
- POLAND_SPUD
- Captain

- Posts: 5402
- Joined: Sat Oct 13, 2007 4:43 pm
- Been thanked: 1 time
Pure awesomeness!! I knew there must be a part like thisI just came across a flashing LED lamp project my sister did in technology class at school years ago.
f### you the NE555 timer!!
Children are the future
unless we stop them now
unless we stop them now
- wyz2285
- First Sergeant 2


- Posts: 2390
- Joined: Sat Mar 06, 2010 7:50 am
- Location: Porto, Portugal
- Has thanked: 1 time
- Been thanked: 4 times
- Contact:
care to elaborate?I just hooked up a MOSFET power transistor instead of the LED, and it now powers a 24W 12V solenoid.
Updata, bigger chamber.
Only missing the firing circiut.
CpTn_lAw wrote:"yay, me wanna make big multishot pnoob with 1000 psi foot pump compressor using diamond as main material. Do you think wet bread make good sealant? "
![]()
I was just drawing out a wiring schematic, but then I realised there is another transistor involved (as I hadn't removed it from the circuit board...).
I've found some info on the original circuit:
http://membres.multimania.fr/ysirjean/D ... Signal.pdf
Weirdly the PDF lists two identical BC 239 NPN transistors. My circuit is identical but I have an M34-2L and a... well I'm not too sure what it is; "13C 55713 R5 E" is printed on it... it may just be used as an amplifier.
Using the M34-2L on it's own is awkward, as you'd end up bypassing the mosfet when linking up the ground wires...
Here's the drawing I was doing until i realised I didn't have enough electronic smarts
If you ignore the left hand bit, that's basically how a MOSFET is wired for this application.

maybe someone more familiar with electronics can sort this out ?
Using a relay instead of the mosfet would work as the grounds would be separate.
I've found some info on the original circuit:
http://membres.multimania.fr/ysirjean/D ... Signal.pdf
Weirdly the PDF lists two identical BC 239 NPN transistors. My circuit is identical but I have an M34-2L and a... well I'm not too sure what it is; "13C 55713 R5 E" is printed on it... it may just be used as an amplifier.
Using the M34-2L on it's own is awkward, as you'd end up bypassing the mosfet when linking up the ground wires...
Here's the drawing I was doing until i realised I didn't have enough electronic smarts
If you ignore the left hand bit, that's basically how a MOSFET is wired for this application.

maybe someone more familiar with electronics can sort this out ?
Using a relay instead of the mosfet would work as the grounds would be separate.
@al-xg
The circuit you linked to is not even a flashing circuit.
It is 3 red LEDs in series driven by a NPN transistor.
I will make a schematic for you.
Keep in mind that the M34 has a fixed duty cycle and fixed frequency.
Not adjustable.
The circuit you linked to is not even a flashing circuit.
It is 3 red LEDs in series driven by a NPN transistor.
I will make a schematic for you.
Keep in mind that the M34 has a fixed duty cycle and fixed frequency.
Not adjustable.
Last edited by dewey-1 on Thu Apr 05, 2012 4:46 pm, edited 1 time in total.
- sharpshooter11000
- Specialist 2

- Posts: 247
- Joined: Sat Aug 06, 2011 1:34 pm
- Location: UK
Is that a paintball tank? If so, what size is it (as in 20oz or 12oz or something)?
My cannons | My QEV cannon |
- wyz2285
- First Sergeant 2


- Posts: 2390
- Joined: Sat Mar 06, 2010 7:50 am
- Location: Porto, Portugal
- Has thanked: 1 time
- Been thanked: 4 times
- Contact:
12oz co2 paintball tank, service pressure 124bar.
Thanks dewey-1, again
Thanks dewey-1, again
CpTn_lAw wrote:"yay, me wanna make big multishot pnoob with 1000 psi foot pump compressor using diamond as main material. Do you think wet bread make good sealant? "
![]()
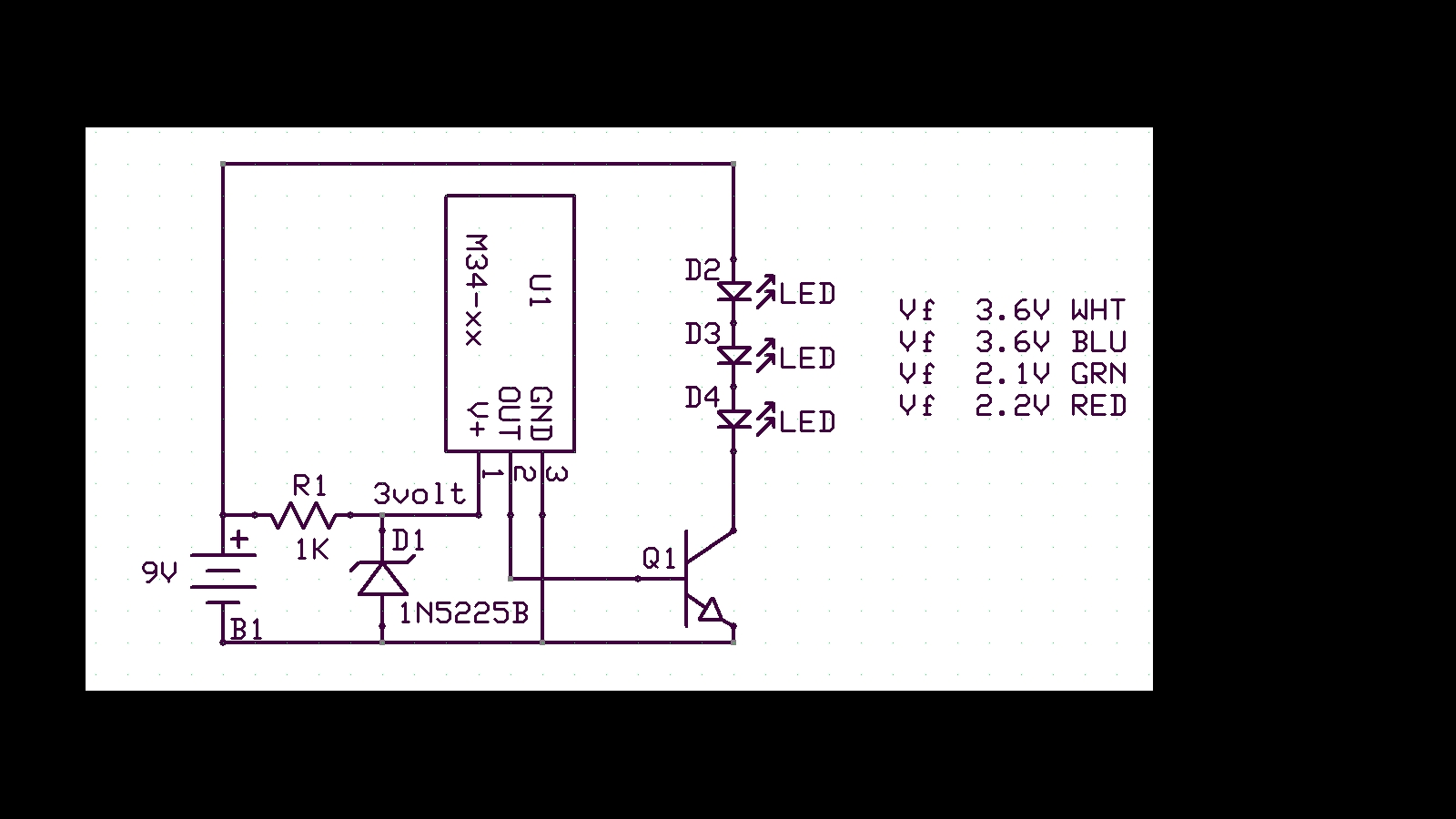
Here is the simplest method to use a M34-xx LED flasher on a solenoid.
There are several disadvantages compared to using dual 555 circuit that I have given to wyz.
There are several disadvantages compared to using dual 555 circuit that I have given to wyz.
- wyz2285
- First Sergeant 2


- Posts: 2390
- Joined: Sat Mar 06, 2010 7:50 am
- Location: Porto, Portugal
- Has thanked: 1 time
- Been thanked: 4 times
- Contact:
Yap I know, but when I'm still trying to make the dual 555 circuit work, I need something simple to test my solenoid on my guns, also training my welding technique.
CpTn_lAw wrote:"yay, me wanna make big multishot pnoob with 1000 psi foot pump compressor using diamond as main material. Do you think wet bread make good sealant? "
![]()
I reckon the circuit I have is a modified version, someone just decided to make the LEDs flash and substituted one of the transistors, but keeping the same PCB and thereby the same name code.The circuit you linked to is not even a flashing circuit.
It is 3 red LEDs in series driven by a NPN transistor
The left hand side NPN transistor has been swapped for the M34-2L and the LEDs flash.
On your schematic, R2 is reducing the voltage to the opto-coupler and r3 is a pull-down resistor for the MOSFET gate ?
Haha, just got the circuit out again to have a look, plugged it in, and now the LED flash green; they used to shine red or at least orange (although some red is still visible), would that suggest they're now getting a higher voltage for some reason ?
That is correct.al-xg wrote: On your schematic, R2 is reducing the voltage to the opto-coupler and r3 is a pull-down resistor for the MOSFET gate ?
Here is a schematic for that link that has modified circuit.
Create an account or sign in to join the discussion
You need to be a member in order to post a reply
Create an account
Not a member? register to join our community
Members can start their own topics & subscribe to topics
It’s free and only takes a minute
Sign in
-
- Similar Topics
- Replies
- Views
- Last post
-
- 165 Replies
- 43889 Views
-
Last post by spaspeckerthedull
-
- 11 Replies
- 3760 Views
-
Last post by grumpy
-
- 14 Replies
- 4335 Views
-
Last post by jackssmirkingrevenge
-
- 7 Replies
- 4310 Views
-
Last post by Gun Freak
-
- 6 Replies
- 7655 Views
-
Last post by i-will



