BFG #7
- farcticox1
- Sergeant


- Posts: 1087
- Joined: Sun Mar 31, 2013 12:37 pm
- Has thanked: 69 times
- Been thanked: 103 times
Started getting some more parts together
Last edited by farcticox1 on Sun Jan 07, 2018 2:44 pm, edited 1 time in total.
- farcticox1
- Sergeant


- Posts: 1087
- Joined: Sun Mar 31, 2013 12:37 pm
- Has thanked: 69 times
- Been thanked: 103 times
First trial assembly of the main body
Last edited by farcticox1 on Sun Jan 07, 2018 2:45 pm, edited 1 time in total.
- jackssmirkingrevenge
- Five Star General

- Posts: 26219
- Joined: Thu Mar 15, 2007 11:28 pm
- Has thanked: 582 times
- Been thanked: 348 times
Looking good, love the subtle-but-not Kriss Vector influence.
hectmarr wrote:You have to make many weapons, because this field is long and short life
- farcticox1
- Sergeant


- Posts: 1087
- Joined: Sun Mar 31, 2013 12:37 pm
- Has thanked: 69 times
- Been thanked: 103 times
hmmm, you noticed then
- jackssmirkingrevenge
- Five Star General

- Posts: 26219
- Joined: Thu Mar 15, 2007 11:28 pm
- Has thanked: 582 times
- Been thanked: 348 times
Was it meant to be a surprise?
hectmarr wrote:You have to make many weapons, because this field is long and short life
- farcticox1
- Sergeant


- Posts: 1087
- Joined: Sun Mar 31, 2013 12:37 pm
- Has thanked: 69 times
- Been thanked: 103 times
Some drilling, tapping and countersinking later.
Last edited by farcticox1 on Sun Jan 07, 2018 2:48 pm, edited 1 time in total.
- farcticox1
- Sergeant


- Posts: 1087
- Joined: Sun Mar 31, 2013 12:37 pm
- Has thanked: 69 times
- Been thanked: 103 times
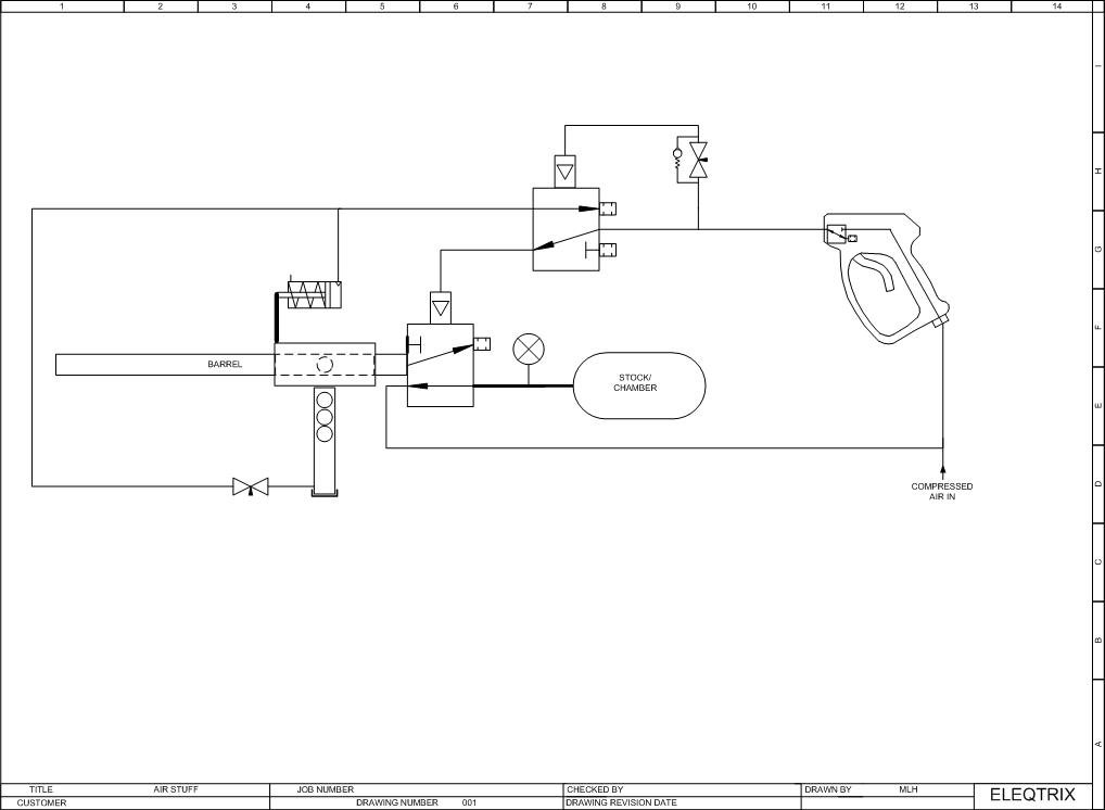
Another part made and fitted today, manifold for the air supply, 4mm for the pilot and 6mm to the chamber,
Last edited by farcticox1 on Sun Jan 07, 2018 2:51 pm, edited 1 time in total.
- farcticox1
- Sergeant


- Posts: 1087
- Joined: Sun Mar 31, 2013 12:37 pm
- Has thanked: 69 times
- Been thanked: 103 times
A few hours more work on it, it's slowly coming together
Still to do is smooth down chamber/stock and paint, fit the reload magazine and get it to work !, top rail to mount stuff like sight, sleeve over the barrel for silencer look, some plumbing.
Still to do is smooth down chamber/stock and paint, fit the reload magazine and get it to work !, top rail to mount stuff like sight, sleeve over the barrel for silencer look, some plumbing.
Last edited by farcticox1 on Sun Jan 07, 2018 2:53 pm, edited 1 time in total.
- farcticox1
- Sergeant


- Posts: 1087
- Joined: Sun Mar 31, 2013 12:37 pm
- Has thanked: 69 times
- Been thanked: 103 times
The loading system seems to work OK, just needs a bit of finishing
BBs in the tube, breech closed Breech opened by acuater, first ball is held by magnet (I haven't fixed it in yet)
BBs in the tube, breech closed Breech opened by acuater, first ball is held by magnet (I haven't fixed it in yet)
Last edited by farcticox1 on Sun Jan 07, 2018 2:55 pm, edited 2 times in total.
- farcticox1
- Sergeant


- Posts: 1087
- Joined: Sun Mar 31, 2013 12:37 pm
- Has thanked: 69 times
- Been thanked: 103 times
Got it all fitted in nicely
[youtube][/youtube]
[youtube][/youtube]
Last edited by farcticox1 on Sun Jan 07, 2018 3:36 pm, edited 1 time in total.
- sharpshooter
- Private 4

- Posts: 75
- Joined: Wed Feb 08, 2006 6:49 pm
I assume the pneumatic piston on the right side will cycle the bolt automatically?
- farcticox1
- Sergeant


- Posts: 1087
- Joined: Sun Mar 31, 2013 12:37 pm
- Has thanked: 69 times
- Been thanked: 103 times
Yes, that is the plan, nothing has been powered yet though.
Last edited by farcticox1 on Sun Jan 07, 2018 3:38 pm, edited 1 time in total.
- farcticox1
- Sergeant


- Posts: 1087
- Joined: Sun Mar 31, 2013 12:37 pm
- Has thanked: 69 times
- Been thanked: 103 times
Found a cover of an old CCTV camera, it's gonna make a sweet sight, going to have a lazer pointer as well.
Last edited by farcticox1 on Sun Jan 07, 2018 2:27 pm, edited 1 time in total.
- Labtecpower
- Sergeant 3


- Posts: 1297
- Joined: Sat Feb 20, 2010 6:38 am
- Location: Pyongyang
- Has thanked: 5 times
- Been thanked: 13 times
Nice work! I'll be keeping an eye on this 
- farcticox1
- Sergeant


- Posts: 1087
- Joined: Sun Mar 31, 2013 12:37 pm
- Has thanked: 69 times
- Been thanked: 103 times
I have named it 'BFG No. 7' because I must have had at least 6 major design ideas before I got this far 
And I have started on the next one
and parts for another

And I have started on the next one
Create an account or sign in to join the discussion
You need to be a member in order to post a reply
Create an account
Not a member? register to join our community
Members can start their own topics & subscribe to topics
It’s free and only takes a minute
