Oxy Acetylene as a fuel

Because potatoes only last one shot!
sagacious
Private
Private
Posts: 8
Joined: Thu Apr 27, 2006 8:08 pm

Has anyone used Oxy Acetylene as a fuel for cannons? It's perfectly mixed, pressurized and has a LOT more energy per cu in than propane.
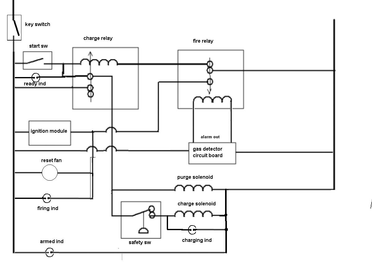
Yes I am aware of the potential danger, but with the proper safeguards in place it should work a heck of a lot better. Attached is the wiring diagram for one I'm thinking of building. It works like a 2 cycle fuel injected engine. The chamber is filled with premixed fuel while purging the air out the opposite end. Then a gas detector at the purge valve outlet shuts off the valves and starts the ignition. For that I'm using a 16Kv spark module off an old gas range. It has 4 spark outlets! Comments welcome!
Attachments
diagram.jpg
User avatar
Shrimphead
Corporal
Corporal
Posts: 509
Joined: Thu Nov 17, 2005 7:42 pm

DON'T TRY IT!!!!! I don't care if you think that you can take all of the needed precautions. Who wants a gun that they have to fire from behind a plexiglass barrier 50 feet away! Seriously, that's probably not as precautious as you should be. And, are you planning to be doing this in pvc? Because that's a BIG risk and a BIG waste of money when after a few fires you have to go back to the hardware store to buy all the parts for a whole new gun. And, if you live anywhere near other people they'll probably hear that gun and possibly call the cops. Many people talk about their normal deodorant and propane cannons being to loud for their neighbors.
Don't be dumb, make a normal propane combustion, they have enough power. And also, propane is going to be alot cheaper.
Controlled insanity = Genius
Life flies when you're being dumb.
User avatar
SpudStuff
Sergeant 5
Sergeant 5
Posts: 1410
Joined: Sat Dec 10, 2005 3:55 pm
Location: Cupertino, California
Contact:

if you do that you are a dumb ass.
propane combusts, acetylene detonates. PVC just cant handle the pressure spike Sch 80 or not. Dont try it with steel either as it cannot handle it either

Mabea try a bad mix

Once again don't be a dumbass

beep Beep BEep BEEp BEEP Warning: Dumbass meter exceding capasity
Last edited by SpudStuff on Sat Apr 29, 2006 12:08 pm, edited 1 time in total.
sagacious
Private
Private
Posts: 8
Joined: Thu Apr 27, 2006 8:08 pm

No really let's hear how you really feel :) Under the right conditions any combustible gas detonates. And yes PVC isn't the same material as in an engine so it's probably overkill to say the least (pun intended) That said the general idea was to get a better gas/air ratio for better performance.
Using the right mixture in the right amount THEORETICALLY would work but I admit it would be a bit risky finding out what that is. What I've seen here so far is direct injection of propane without regard to adding air in any measured way. Just trying to get it right
User avatar
CS
Moderator
Moderator
Posts: 1837
Joined: Fri Feb 18, 2005 5:32 pm
Location: Southern Utah

This would be safe if conducted in the right manner. Just a few threads ago it was saying .223 round generates ~3,500 psi. The point being that this type of mix being discussed will not generate pressures this high, although it must be noted that it will have a much greater volume.

Im not going to call you a dumbass because you obviously have better grammar then the one critizing you. Im not going to act like I have prior knowledge of this fuel, but I know very advanced spudders are still pretty scared to mess with this stuff. I cant even begin to take a "poke" at your knowledge on explosive gases, but seeing as even the most advanced of spudders are scared of this shit, dont do it.

I still dont understand your intentions. First you state what a nice fuel it would be, then talk about using it in a engine. Lets be honest though, we here on the forums have no way of forcing you to do something, but only to adminster advice. Sorry if I sound like a safety freak, but there is to much unknown about the fuel, thus please reconsider your intentions.
sagacious
Private
Private
Posts: 8
Joined: Thu Apr 27, 2006 8:08 pm

I certainly wouldn't have posted what I did without knowing I'd get all types of replies - that's part of the fun of public forums. Thanks for the vote of confidence. This isn't NASA so no one can predict the outcome of what I suggested with any accuracy. That doesn't mean go ahead and do it without taking serious precautions....good advice for any of these homebrew devices anyway. I'm definitely going to research this first.

My original idea was for something based on those automatic "audible bird repellant" devices they have at airports, but one that fires spuds! I don't like the idea of manual fuel charging. Too many steps besides being inaccurate. Forcing a 3 pound potato down a 4 foot barrel is enough of a hassle :)
User avatar
CS
Moderator
Moderator
Posts: 1837
Joined: Fri Feb 18, 2005 5:32 pm
Location: Southern Utah

"This isn't NASA so no one can predict the outcome of what I suggested with any accuracy."

Stop blabbing before you make a ass out of yourself. Trust me theres members here that know there shit when it comes to physics. Although ive never seen such things you mention that can be found at airports, but I have heard of noise makers.

"Forcing a 3 pound potato down a 4 foot barrel is enough of a hassle"

Stop right there! I changed my mind, you dont know what in the f*ck your talking about when it comes to spudding. My first course of action if I were you would be to take a trip down to the spud wiki. Hell you dont even know of breach loading and/ or understand that potatos in a auto gun will only complicate your design tagging on a whole loading mechanism. For a auto potato gun your choice ammo would be golf balls due to there consistency and spherical shape.
zvallance1
Private 4
Private 4
Posts: 94
Joined: Wed Dec 21, 2005 11:34 pm

pimpmann22 wrote:Trust me theres members here that know there crap when it comes to physics

I'm sure he realizes that people here know their stuff when it comes to physics...but the actual factors concerning a safe combustion of an oxy/acetalyne gas is more chemistry than it is physics...

Stop right there! I changed my mind, you dont know what in the f*ck your talking about when it comes to spudding. Hell you dont even know of breach loading and/ or understand that potatos in a auto gun will only complicate your design tagging on a whole loading mechanism.
Wow, so that was just plain rude (no offense meant) but simply because he says something that sounds illogical doesnt justify you biting his head off...Perhaps he was merely comparing the difficulty of his project, to the difficulty of shooting a 3 pound potato through a 4 foot barrel. (They're called POTATO guns for a reason, even if they aren't used as ammo too often)




Sorry about this post though, Pimp..not trying to be a jerk or anything, just thinking that you're being WAY too harsh
User avatar
CS
Moderator
Moderator
Posts: 1837
Joined: Fri Feb 18, 2005 5:32 pm
Location: Southern Utah

Yes, I would think chemistry would be the way to determine the reactivness of the two fuels. Although these equations are plastered all over the internet and require no chemistry knowledge. Physics is necessary to determine how this high pressure will react with its surrondings.

Sorry if I sounded harsh, but if his post didnt include discussing highly-explosive fuels I would not of done so. I dont like dicks, hence the reason I try not to act like one, but come on. If someone is dicussing the possibilty of a high pressure explosion, but doesnt even consider breach loading, hell yea im going to jump on it. As you might of noticed, I didnt just "bite his head off" and leave him hanging. Rather, afterwards I explained myself to both raise awareness and increase his knowledge.

"They're called POTATO guns for a reason, even if they aren't used as ammo too often"

:roll: Do you really think I didnt know that? But were not talking about the normal, seriously ratio out of wack DWV- laterned sparked- primer stained- aersol combustion. Were talking about a possible oxygen and acteylene injected- stungun ignited- metal chamber- combustion. When creating a auto combustion I dont see a need to be "bound" to the name and make it shoot potatos. Something to ponder:
Why are they mini guns when there not mini?
Why is there inter-state highways in Hawaii?

I dont want you to answer these questions, rather to make a point that simply binding something to its name is ridiculous and has the name for a reason. Spudding started out with shooting potatos, but can we not evovle because that would be different then the name its often refered to as?

"Sorry about this post though, Pimp..not trying to be a jerk or anything, just thinking that you're being WAY too harsh"

Anyone feel free do bring such opions to anyone that may appear to being to harsh. I think ive previously explained myself, just the subject matter only added to the seriousness of the issue. Just look at it this way, at least we dont have a "DR" here...
User avatar
Rambo
Corporal
Corporal
Posts: 509
Joined: Sun Jan 15, 2006 2:07 pm

The main problem I see about all these O2 fuels is that they don't create so much presure=>the preformance won't be something amaising but because of the detonation they require very strong chamber and very tolerant neighbours.It's like a lot of noise for nothing.The detonation will rather destroy the chamber then push the potato all the way down the barrel.A pneumatic with 140psi will be more powerfull(for heavy projectiles), quieter and lighter.
User avatar
rna_duelers
Staff Sergeant 3
Staff Sergeant 3
Posts: 1739
Joined: Mon Sep 26, 2005 7:07 am
Location: G-land Australia

People i know make bombs out of oxy acetylene mixes,they are very scary ok,i would even want to try and harness this energy...And the explosive devices where made from class 18 pipe(sch80 equivelent) so you would require a very thick walled metal chamber that would be totoaly impraticle(but very cool if it was made :twisted: :twisted:)
Play it safe ok,but the spudgunning community will evolve in time and there will be poineer in this area no doubt because everything starts somewhere..
Image
User avatar
beebs111
Corporal 4
Corporal 4
Posts: 807
Joined: Thu Aug 25, 2005 3:08 pm
Location: massachussets

one of my friends takes welding shop at a vocational school, and someone made an oxyacetelene balloon and lit it off. if you have ever lit off a propane balloon, it makes a fireball and a pop, but the oxyacetelene ballon was suppossevly different. it made an explosion that sounded more powerful than an m-80 and knocked a table over. theoreticly i think that a thick walled steel gun and fittings welded together would work, or some pvc set in 5' thick cement, but other wise i would'nt try it. its just not a risk im willing to take. :|
in the upcoming presidential election, there will be several candidates who will be running, one of whom is Hillary Clinton. Now WAIT A SECOND!!! I though there was some sort of rule that prevented someone from serving more than two terms in office. Vote Against Hillary: Presidential Elections 08
User avatar
DonTheLegend
Private 4
Private 4
Posts: 99
Joined: Fri Jan 06, 2006 6:32 pm

So I'm with everyone else on this: DONT TRY IT. If you do decide to try it, good luck finding pip that will handle the pressure and shockwave from the detonation. On a different note, i liked the schematic for the electronics. Everything is done at the press of a button = very cool.
sagacious
Private
Private
Posts: 8
Joined: Thu Apr 27, 2006 8:08 pm

You can thank me later for all the lively discussion my post started :)
Strangely, despite the fact that "equations are plastered all over the internet" and "theres <sp> members here that know there crap when it comes to physics" no one's posted anything here to positively support that position and instead resort to childish online behavior. In fact Beebs111's non-technical post about someone who tried a OA balloon was more helpful than anything else so far in visualizing the nature of OA combustion thanks.

The problem is clear - the extremely rapid pressure increase that wouldn't overcome the inertia of the "spud"/"potato" fast enough is the problem, not the total amount of pressure produced. It would be like the damage done to a gas engine experiencing "knock". Using beefed up hardware would work just as a diesel engine is heavier built, but I'm staying within the realm of PVC so it looks like OA is out. That brings me back to the problem of mixing either acetylene or propane and air in the right amount for a proper charge. I hate guesswork and trial and error:)

Oh and about those "audible repellant devices" airports use, Meet the Rotomat:

http://www.reedjoseph.com/lp_gas_cannon_accessories.htm


Don, feel free to use the schematic. Should work for propane or anything else.
User avatar
CS
Moderator
Moderator
Posts: 1837
Joined: Fri Feb 18, 2005 5:32 pm
Location: Southern Utah

"...no one's posted anything here to positively support that position and instead resort to childish online behavior."

Sorry that im not all happy and have a bubbly personality, but lets face it, were talking about engaging in risky behavior so were going to address the negative/ wrong.

Enough negative as now we have moved from acetylene. Take a stroll to the spudwiki, and burntlatke.com. You want about a 4% propane in your cannon if its at atomsphere.
Post Reply

Create an account or sign in to join the discussion

You need to be a member in order to post a reply

Create an account

Not a member? register to join our community
Members can start their own topics & subscribe to topics
It’s free and only takes a minute

Register

Sign in

  • Similar Topics
    Replies
    Views
    Last post