@tech
an air cylinder would be a redundant part here... he could achieve the same effect with a bistable valve actuated via two air pilots.... it would be even better than buying a spring return version as he could fill the other side with set 'x' pressure
Valve that vents when the pressure of another inlet is high
- POLAND_SPUD
- Captain

- Posts: 5402
- Joined: Sat Oct 13, 2007 4:43 pm
- Been thanked: 1 time
Children are the future
unless we stop them now
unless we stop them now
No problem. I do occasionally have to make myself useful around here.btrettel wrote:Thanks Ragnarok. That does exactly what I need.
They always are. If you want anything that's more complex than a pneumatic cylinder or QEV, it's rare to not have to pay through the nose for it.Shame that the prices and sizes are wrong.
What sort of size are you looking for?
Does that thing kinda look like a big cat to you?
- POLAND_SPUD
- Captain

- Posts: 5402
- Joined: Sat Oct 13, 2007 4:43 pm
- Been thanked: 1 time
lol
for example part no MMA-31PAA (1/8" threads)
clippard has double air pilot valves in various sizes
for example part no MMA-31PAA (1/8" threads)
Children are the future
unless we stop them now
unless we stop them now
Rag: 10-32, 1/8", and 1/4" are all acceptable. 1/8" is preferred as most components of this design will be of that size.
POLAND_SPUD: I had missed that entire series. Thanks. I've been looking at PAV-2P, but these other ones seem doable too. Maybe I should learn to navigate my Clippard catalog better.
MMA-31PAA costs $24.90. PAV-2P costs $15.86. I think I might go for PAV-2P and a needle valve (forget an orifice) depending on how cheap these components are used.
I should post my water gun design (pending completion of some homework) later tonight. This'll give me a good excuse to learn the standards symbols for all these components too.
POLAND_SPUD: I had missed that entire series. Thanks. I've been looking at PAV-2P, but these other ones seem doable too. Maybe I should learn to navigate my Clippard catalog better.
MMA-31PAA costs $24.90. PAV-2P costs $15.86. I think I might go for PAV-2P and a needle valve (forget an orifice) depending on how cheap these components are used.
I should post my water gun design (pending completion of some homework) later tonight. This'll give me a good excuse to learn the standards symbols for all these components too.
Maybe you could make your own kind of valve using a homemade "hammer-valve" type valve :
......................................Filling setup + Chamber A
.................................................... l l
.................................................... \/
................................................... Tee
.................................................... l l
.................................................... \/
.................. Chamber B ==> Hammer valve ==> exhaust
The hammer valve is maintained closed using a spring and o-ring seal, while exhaust side is maintained closed by the same spring and and o-ring.
When pressure builds up in chamber A , Air forces on the spring, eventually exceeding its pressure on the o-rings, openning the hammer-valve, letting space for air to travel from chamber B to exhaust. To aviod air from going backwards into chamber A, you could place a one-way valve between chamber A and the Tee.
Don't know if it helps, but, it would certainly cost much less than buying a ready-to-use valve. Plus, you'd have your own pressure ratings and if something had to go wrong, you'd know how to fix it.
......................................Filling setup + Chamber A
.................................................... l l
.................................................... \/
................................................... Tee
.................................................... l l
.................................................... \/
.................. Chamber B ==> Hammer valve ==> exhaust
The hammer valve is maintained closed using a spring and o-ring seal, while exhaust side is maintained closed by the same spring and and o-ring.
When pressure builds up in chamber A , Air forces on the spring, eventually exceeding its pressure on the o-rings, openning the hammer-valve, letting space for air to travel from chamber B to exhaust. To aviod air from going backwards into chamber A, you could place a one-way valve between chamber A and the Tee.
Don't know if it helps, but, it would certainly cost much less than buying a ready-to-use valve. Plus, you'd have your own pressure ratings and if something had to go wrong, you'd know how to fix it.
"J'mets mes pieds où j'veux, et c'est souvent dans la gueule."
- POLAND_SPUD
- Captain

- Posts: 5402
- Joined: Sat Oct 13, 2007 4:43 pm
- Been thanked: 1 time
well if I were you I would buy MMA-31PAS or MMA-31PAA simply because they are both NO and NC valves at the same time...
so if you ever need a valve that would do the same job but as NO valve you wouldn't need to buy a new one...
but it's up to you - normally I dissemble most of my guns after I get bored with them so this approach works fine for me

@captn
well to make things easier he could even epoxy a blowgun inside a T and build a small air cylinder to open the blowgun... the air cylinder would be connected to chamber A...
there are really many ways of achieving more or less the same result...
and yeah I guess that everything could be home made... there is a guy here who bought three 3way valves for like 5$ off ebay...
from time to time I use a similar site and I've really seen even better bargains
two air cylinders (used) for ~1.7$ ->
http://allegro.pl/item733450519_silowni ... _m_22.html
solenoid 3 way spool valve (brand new + additional solenoid included) for ~10$
http://allegro.pl/item728856618_elektro ... ratis.html
the auctions haven't finished yet but really... you can buy stuff that cheap
so if you ever need a valve that would do the same job but as NO valve you wouldn't need to buy a new one...
but it's up to you - normally I dissemble most of my guns after I get bored with them so this approach works fine for me
yeah, they really make things easier... particularly, when you buy stuff from incompetent sellersThis'll give me a good excuse to learn the standards symbols for all these components too
@captn
well to make things easier he could even epoxy a blowgun inside a T and build a small air cylinder to open the blowgun... the air cylinder would be connected to chamber A...
there are really many ways of achieving more or less the same result...
and yeah I guess that everything could be home made... there is a guy here who bought three 3way valves for like 5$ off ebay...
from time to time I use a similar site and I've really seen even better bargains
two air cylinders (used) for ~1.7$ ->
http://allegro.pl/item733450519_silowni ... _m_22.html
solenoid 3 way spool valve (brand new + additional solenoid included) for ~10$
http://allegro.pl/item728856618_elektro ... ratis.html
the auctions haven't finished yet but really... you can buy stuff that cheap
Children are the future
unless we stop them now
unless we stop them now
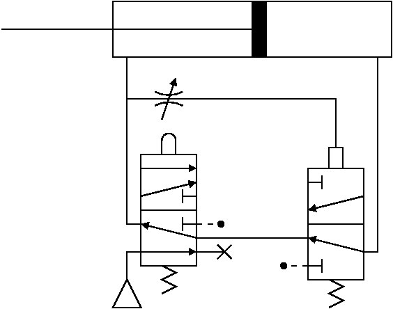
Here's the basic setup of the water gun:

I'm not going to explain the symbols so Google for "pneumatic symbols" or something to that effect if you're confused. Clippard's catalog also has many of these.
The air cylinder pushes a piston which in turn pushes water out of a nozzle.
The cycle is broken into two main parts, the first of which has two parts as well:
Filling: (1) The trigger is not depressed (the DCV on the left is the trigger valve). High pressure gas flows from the right of the air cylinder to the left such that the air cylinder retracts, pulling water into the water chamber (water chamber and associated water valves not shown). The two chambers eventually equalize. Getting a full stroke requires exhausting the right chamber... so... (2) the needle valve should provide the right timing such that the air pilot valve exhausts the right chamber when necessary.
Firing: The trigger is depressed. The left side of the cylinder exhausts and the right size is pressurized, which in turn pressurizes the water and the stream is shot.
Not too complicated is it? Maybe it is.
Further modification of the design might be necessary if the air cylinder doesn't exhaust quickly enough. Small QEVs will solve this problem.
This water gun has a number of advantages over other designs, namely...
- No pumping
- Water can be stored in a non-pressurized tank
- Gas use is more efficient than other piston designs as still pressurized gas left in the chamber is recycled for the filling stage
- The only limits on performance are budget
The biggest disadvantages of course are the relative complexity of the circuit, the cost, the potentially difficulty getting these parts used, and the check valve that must go in the water nozzle assembly.
POLAND_SPUD: I won't be building this until next spring at the earliest. So your suggestion of a more general part is being considered. Thing is, while I know that my more experimental projects usually end up being scrapped, I'm not really sure when I'd use a valve like this otherwise. The difference is only about $10 though... we'll see what happens when I look at the used market.

I'm not going to explain the symbols so Google for "pneumatic symbols" or something to that effect if you're confused. Clippard's catalog also has many of these.
The air cylinder pushes a piston which in turn pushes water out of a nozzle.
The cycle is broken into two main parts, the first of which has two parts as well:
Filling: (1) The trigger is not depressed (the DCV on the left is the trigger valve). High pressure gas flows from the right of the air cylinder to the left such that the air cylinder retracts, pulling water into the water chamber (water chamber and associated water valves not shown). The two chambers eventually equalize. Getting a full stroke requires exhausting the right chamber... so... (2) the needle valve should provide the right timing such that the air pilot valve exhausts the right chamber when necessary.
Firing: The trigger is depressed. The left side of the cylinder exhausts and the right size is pressurized, which in turn pressurizes the water and the stream is shot.
Not too complicated is it? Maybe it is.
Further modification of the design might be necessary if the air cylinder doesn't exhaust quickly enough. Small QEVs will solve this problem.
This water gun has a number of advantages over other designs, namely...
- No pumping
- Water can be stored in a non-pressurized tank
- Gas use is more efficient than other piston designs as still pressurized gas left in the chamber is recycled for the filling stage
- The only limits on performance are budget
The biggest disadvantages of course are the relative complexity of the circuit, the cost, the potentially difficulty getting these parts used, and the check valve that must go in the water nozzle assembly.
POLAND_SPUD: I won't be building this until next spring at the earliest. So your suggestion of a more general part is being considered. Thing is, while I know that my more experimental projects usually end up being scrapped, I'm not really sure when I'd use a valve like this otherwise. The difference is only about $10 though... we'll see what happens when I look at the used market.
- POLAND_SPUD
- Captain

- Posts: 5402
- Joined: Sat Oct 13, 2007 4:43 pm
- Been thanked: 1 time
if I understand it in the right way you want to use the air cylinder to retract and fill the chamber with water (not shown in the pic) and then extend rapidly to 'fire' it
right now there is nothing that causes air to flow from the right to the left of the air cylinder in filling stage...
also it seems that you could achieve the same result with a 5 way valve only...
right now there is nothing that causes air to flow from the right to the left of the air cylinder in filling stage...
also it seems that you could achieve the same result with a 5 way valve only...
Children are the future
unless we stop them now
unless we stop them now
The check valve does screw things up a bit. Thanks for pointing that out. It was a last minute addition not fully thought out. I'm fairly certain a 4-way pilot valve would work... I'll check... (No it wouldn't--it would separate the left from the rest of the system and not allow it to be vented when it needs to be vented. Back to the drawing board.)
And while I could achieve the same end result with the right valve, it wouldn't be as efficient. See point #3 in my list. I want to use the high pressure gas from the right of the cylinder for the pumping part. This would increase the number of shots you could get from a gas source substantially.
Edit: It might be easiest to make a separate button to vent the right and separate it from the left... or that could be piloted...
Edit again: I think I figured it out. Replace the pilot valve with MMA-41PAS, put it in the right location (where the check valve used to be) and the system should get the desired functionality... I will post it later to verify.
And while I could achieve the same end result with the right valve, it wouldn't be as efficient. See point #3 in my list. I want to use the high pressure gas from the right of the cylinder for the pumping part. This would increase the number of shots you could get from a gas source substantially.
Edit: It might be easiest to make a separate button to vent the right and separate it from the left... or that could be piloted...
Edit again: I think I figured it out. Replace the pilot valve with MMA-41PAS, put it in the right location (where the check valve used to be) and the system should get the desired functionality... I will post it later to verify.
- POLAND_SPUD
- Captain

- Posts: 5402
- Joined: Sat Oct 13, 2007 4:43 pm
- Been thanked: 1 time
the check valve stops air air flow to the air cylinder so it won't extend ever... I didn't notice that earlier...The check valve does screw things up a bit
I was reffering to the fact that simly joining the right an the left side of the aircylinder doesn't help... the cylinder would stop right in the middle of its stroke
or is there something I am missing??
EDIT
ohh right... chambers A and B that you've mentioned before are both sides of the air cylinder...
I think that what you want to achieve could be done in a much simpler way but I need to think about it
EDIT no2
ok this is how you can simplify your design... but IMO that could be much simpler
Children are the future
unless we stop them now
unless we stop them now
I must have been tired this morning because the check valve wasn't even what you were talking about. Heh.the check valve stops air air flow to the air cylinder so it won't extend ever... I didn't notice that earlier...
The stopping is what the pilot valve should fix, as you've figured out by now.
Your drawing has a problem. When the right side of the cylinder is vented, so is the left. My new design is essentially what you have drawn with a different pilot valve that'll stop the left from venting when the right does. So that's how to do it and be more efficient.
If you can think of any simpler way to recycle the air in the right chamber, I'd really appreciate it.
I'll put a new drawing (perhaps one made on a computer) tonight.
Edit: See the attachment. Xfig's gif output is fairly crappy so if a smoother file is preferred let me know.
- Attachments
-
- circuit.gif (3.98 KiB) Viewed 2350 times
Last edited by btrettel on Thu Sep 10, 2009 10:45 am, edited 1 time in total.
- POLAND_SPUD
- Captain

- Posts: 5402
- Joined: Sat Oct 13, 2007 4:43 pm
- Been thanked: 1 time
here is how I would do it...
LP is low pressure source... use as low as can do the job in order to save air
HP is high pressure source
my idea will waste some air.. but so will yours and it's much mroe complicated and will be much more expensive
I've been thinking for about 2.5 hour about possible solutions to this... my brain hurts and I need a brake now
EDIT
lol I haven't noticed that...
I think you are trying to overdo it... I couldn't find one commercial design that does what you want to achieve... I am not saying it's not possible but probably it's not practical
there are other things that you have to concentrate on in this design...
you'll really need a valve with very high flow if you want the air cylinder to extend fast enough to fire water... IDK how large your launcher will be but 1/8" valve seems to be too small
you could probably use a QEV but that would make things more complicated
LP is low pressure source... use as low as can do the job in order to save air
HP is high pressure source
my idea will waste some air.. but so will yours and it's much mroe complicated and will be much more expensive
I've been thinking for about 2.5 hour about possible solutions to this... my brain hurts and I need a brake now
EDIT
lol I haven't noticed that...
I think you are trying to overdo it... I couldn't find one commercial design that does what you want to achieve... I am not saying it's not possible but probably it's not practical
there are other things that you have to concentrate on in this design...
you'll really need a valve with very high flow if you want the air cylinder to extend fast enough to fire water... IDK how large your launcher will be but 1/8" valve seems to be too small
you could probably use a QEV but that would make things more complicated
- Attachments
-
- my solution.PNG (37.21 KiB) Viewed 2357 times
Children are the future
unless we stop them now
unless we stop them now
See the edit in my post before this to see my circuit. Your solution is one that'll work, but it'll need two regulators at the very least, and it'd be wasteful as you've noted.
Any single chamber piston water gun inherently wastes gas... putting any of the gas leftover after expansion into another job is an improvement.
High performance is not a goal. The cylinder will be moving on the order or 5 to 10 inches per second (to get a water flow rate of about 250 to 500 mL/s). I don't think a particularly high flow valve or a QEV is necessary to do that.
And as I intend to use 200 to 250 psi in this (due to force division--the water will be under less than 70 psi), the mass flow rate will be higher due to changes in density. Regardless, even if the regulator, etc. couldn't keep up, what air is in the cylinder should be able to expand (most water guns operate from a limited amount of high pressure gas expanding nearly completely).
I'm not really too concerned about cost... I've been able to find things for fractions of the new cost used as you have. I think a water gun like this would be neat, but if it cost is near or above $300 it probably isn't worthwhile.
Any single chamber piston water gun inherently wastes gas... putting any of the gas leftover after expansion into another job is an improvement.
High performance is not a goal. The cylinder will be moving on the order or 5 to 10 inches per second (to get a water flow rate of about 250 to 500 mL/s). I don't think a particularly high flow valve or a QEV is necessary to do that.
And as I intend to use 200 to 250 psi in this (due to force division--the water will be under less than 70 psi), the mass flow rate will be higher due to changes in density. Regardless, even if the regulator, etc. couldn't keep up, what air is in the cylinder should be able to expand (most water guns operate from a limited amount of high pressure gas expanding nearly completely).
I'm not really too concerned about cost... I've been able to find things for fractions of the new cost used as you have. I think a water gun like this would be neat, but if it cost is near or above $300 it probably isn't worthwhile.
- POLAND_SPUD
- Captain

- Posts: 5402
- Joined: Sat Oct 13, 2007 4:43 pm
- Been thanked: 1 time
so I was right that you should buy MMA-31PAS
yeah this will work.. at least I couldn't find any reason for it not to work... good job
I found this pdf. document... covers most of the basic stuff... right now I am downloading a free CAD programme for drawing pneuamtic circuits... once I test it I'll tell you if it's useful
maybe it would be a good idea to write an article on directionally control valves and pneumatics on wiki ?? or just a page with links to most informative documents on the net... I think it would be better if it was written by a native speaker of english...
yeah I know... what a lame excuse
EDIT
here (6mb)
it's nothing special but allows to draw neat diagrams... it can export them as .dxf or .emf files... I've never hear of them but irfanview could open them... I'll try to find something better later
yeah this will work.. at least I couldn't find any reason for it not to work... good job
I found this pdf. document... covers most of the basic stuff... right now I am downloading a free CAD programme for drawing pneuamtic circuits... once I test it I'll tell you if it's useful
maybe it would be a good idea to write an article on directionally control valves and pneumatics on wiki ?? or just a page with links to most informative documents on the net... I think it would be better if it was written by a native speaker of english...
yeah I know... what a lame excuse
EDIT
here (6mb)
it's nothing special but allows to draw neat diagrams... it can export them as .dxf or .emf files... I've never hear of them but irfanview could open them... I'll try to find something better later
Children are the future
unless we stop them now
unless we stop them now
Well, it's not MMA-31PAS, it's MMA-41PAS. Same thing; the one I'll use is 4 way.
That's a pretty nice document on pneumatic symbols. It's a shame I didn't have that a few days ago.
I was initially excited about a simple program to make pneumatic circuits but sadly Wine on Linux won't run it... Xfig does a good job so there's no serious problem.
Now the issue is finding these valves or something compatible on the used market... I can find big pneumatic cylinders without too much difficulty. 1 to 1 1/2" cylinders with decent strokes aren't too expensive ($40 at most). These valves are awfully specific though. Good thing I don't intend to build anything for months.
Edit: I'm also going to start thinking about ways to make this fully automatic. That'd be nice.
That's a pretty nice document on pneumatic symbols. It's a shame I didn't have that a few days ago.
I was initially excited about a simple program to make pneumatic circuits but sadly Wine on Linux won't run it... Xfig does a good job so there's no serious problem.
Now the issue is finding these valves or something compatible on the used market... I can find big pneumatic cylinders without too much difficulty. 1 to 1 1/2" cylinders with decent strokes aren't too expensive ($40 at most). These valves are awfully specific though. Good thing I don't intend to build anything for months.
Edit: I'm also going to start thinking about ways to make this fully automatic. That'd be nice.
Create an account or sign in to join the discussion
You need to be a member in order to post a reply
Create an account
Not a member? register to join our community
Members can start their own topics & subscribe to topics
It’s free and only takes a minute
Sign in
-
- Similar Topics
- Replies
- Views
- Last post
-
- 12 Replies
- 2656 Views
-
Last post by Technician1002
-
- 21 Replies
- 4573 Views
-
Last post by Hydra
-
- 1 Replies
- 1340 Views
-
Last post by jook13
-
- 15 Replies
- 8673 Views
-
Last post by Atlantis
-
- 6 Replies
- 2570 Views
-
Last post by POLAND_SPUD



