High pressure piston valve

Cannons powered by pneumatic pressure (compressed gas) using a valve or other release.
User avatar
daccel
Specialist 2
Specialist 2
Posts: 238
Joined: Thu Oct 11, 2007 9:51 pm
Location: BC, Canada

Just wanted to run this by you guys before I buy the parts. The fittings are steel rated for 3000psi. The chamber is as small as it is to keep size, air consumption and noise down. It will be run off hpa regulated to 1500psi, although I'm sure there will be a few full power shots :lol:. I'm not sure of the valve specs in ggdt, I tried to put in what made sense. Also, what would be good to pilot the valve with, I was thinking a pressure washer valve because they're rated high enough?

I can't seem to find too much info on higher pressure cannons when I search, so any input is appreciated.
Attachments
high pressure valve1.jpg
high pressure valve1.jpg (9.11 KiB) Viewed 4605 times
high pressure ggdt1.jpg
Novacastrian
Staff Sergeant 2
Staff Sergeant 2
Posts: 1603
Joined: Sat Aug 11, 2007 6:59 pm
Been thanked: 1 time

1500psi Holy crap :twisted:

Edit: why use a 20 grm projectile? Also inner dia shows 0?
America, the greatest gangster of all time. With 200 million odd foot soldiers at it's whim and call.
When you fill your car with refined oil remember that it has been paid for with blood and guts, some from your own countrymen, most not.
User avatar
daccel
Specialist 2
Specialist 2
Posts: 238
Joined: Thu Oct 11, 2007 9:51 pm
Location: BC, Canada

Well I'm sure I'll end up using different things, but I'm designing it (especially the breech) around saboted arrows and I think that's roughly what they'll weigh. Inner diameter is 0 because the chamber isn't around the barrel it's off to the side so to get the volume right I had to do that.
Novacastrian
Staff Sergeant 2
Staff Sergeant 2
Posts: 1603
Joined: Sat Aug 11, 2007 6:59 pm
Been thanked: 1 time

With a decent length barrel that ggdt you did is B.S.
1500psi should be supersonic at least :?

Edit: With a lighter projectile.
America, the greatest gangster of all time. With 200 million odd foot soldiers at it's whim and call.
When you fill your car with refined oil remember that it has been paid for with blood and guts, some from your own countrymen, most not.
User avatar
jackssmirkingrevenge
Five Star General
Five Star General
Posts: 26219
Joined: Thu Mar 15, 2007 11:28 pm
Has thanked: 582 times
Been thanked: 348 times

I can't seem to find too much info on higher pressure cannons when I search, so any input is appreciated.
I take my small calibre piston designs to 400 psi+ but I've never seen anyone use 1500 psi on such a large scale. The closest I can think of is btb's Overkill.

Make sure you have your piston bumper sorted out, that piston's going to come back with a lot of force - what construction were you planning for it?

The chamber is big enough as it is but the barrel can afford to be much longer to take full advantage of the pressure you have available.
I was thinking a pressure washer valve because they're rated high enough?


Either that or a ball valve, but the latter wouldn't be as comfortable to fire.

This should be one mother of a launcher, even with a silencer you're probably going to need ear protection :shock: I suggest you start testing at 100 psi and take it higher in 100 psi increments. a bit of recoil management would also not go amiss ;)
hectmarr wrote:You have to make many weapons, because this field is long and short life
User avatar
benstern
Corporal 5
Corporal 5
Posts: 908
Joined: Wed Sep 21, 2005 8:24 pm

Dude, with the forces involved I would not be surprised if your piston turned to powder.
User avatar
daccel
Specialist 2
Specialist 2
Posts: 238
Joined: Thu Oct 11, 2007 9:51 pm
Location: BC, Canada

Novacastrian - With a light projectile I think it should too. The consensus here seems to be that you can't go supersonic with a pneumatic, but some commercial pcp air rifles do, which says to me it's possible with a fast enough valve and high enough pressure. If not, it will still make for some sweet damage pics :D

JSR - Haven't come up with a bumper yet, I'm going to wait until I have the valve in my hands to figure that out. For a piston I was thinking of aluminum bar sleeved with molded epoxy, or possibly several smaller pieces of aluminum in epoxy like rebar in concrete. I was assuming aluminum is lighter than epoxy and trying to keep strength up and weight down. Maybe a foam core if it doesn't make it too weak.

As for the barrel length, there seems to be diminishing returns after 2-3' because the chamber volume is so low, and I don't want the cannon to become too awkward. One of the nice things about high pressure/low volume is that you can make things more compact for the same performance. It will also help with silencing too, I hope - there won't be much pressure left after it expands in the barrel and a silencer that's much bigger than the chamber. Yeah I'm definitely going to work the pressure up, I have no desire to lose a shoulder. Do you know how the kinetic energy in ggdt compares to that of a rifle in terms of recoil? Like would a rifle with 3000ft/lbs have 3 times the recoil of a pneumatic with 1000?

benstern - So maybe go for strength and sacrifice weight? I guess with that kind of pressure a heavier piston should still open quickly.
User avatar
jackssmirkingrevenge
Five Star General
Five Star General
Posts: 26219
Joined: Thu Mar 15, 2007 11:28 pm
Has thanked: 582 times
Been thanked: 348 times

For a piston I was thinking of aluminum bar sleeved with molded epoxy, or possibly several smaller pieces of aluminum in epoxy like rebar in concrete. I was assuming aluminum is lighter than epoxy and trying to keep strength up and weight down. Maybe a foam core if it doesn't make it too weak.


The density of the epoxy I use is only slightly higher than water so aluminium will be heavier. I would suggest getting some steel mesh and rolling it up like a swiss roll as internal support.
So maybe go for strength and sacrifice weight? I guess with that kind of pressure a heavier piston should still open quickly.
Note that a heavy piston will have more momentum and therefore a bigger impact on the rear of your launcher, a good bumper is essential here - I would go for at least 1cm thickness of rubber.
Do you know how the kinetic energy in ggdt compares to that of a rifle in terms of recoil? Like would a rifle with 3000ft/lbs have 3 times the recoil of a pneumatic with 1000?
Recoil is a question of momentum, ie velocity x mass.

Let's take a typical 7.62x51 NATO rifle firing a 0.0095 Kg projectile at 840 m/s. The recoil forces will be around 16 times higher for this rifle than for the performance projected in your GGDT model. Note that "felt" recoil is also a variable, ie the heavier your launcher, the more recoil it will absorb and the less it will be felt.
hectmarr wrote:You have to make many weapons, because this field is long and short life
User avatar
williamfeldmann
Specialist 2
Specialist 2
Posts: 216
Joined: Sun Sep 09, 2007 6:55 pm
Location: Ames. Iowa, middle of BFE

Jack uses a different type of epoxy than I am capable of getting locally. I use a standard marine grade 2 part epoxy for some of my parts and it is more dense than water. It sinks good.

I do not know if it is lighter than aluminum or not. I would guess that it is lighter than solid aluminum bar stock that you mentioned. However, aluminum bar tube might give it a run for its money.

Foam would be an alternative however you will need enough epoxy around the foam to withstand pretty intense pressures.

A friend of mine in the poly industry (he make solid molds and sheets of polyurethane), suggested that you might be able to mix air into the epoxy as well, creating a sort of cell core solid epoxy part. It is a common way of adding bulk without adding weight. My epoxy cures too fast for something like this. Perhaps someone has a slower epoxy or knows of a good way to do this?

Jack is right concerning the "kick." The weight of the gun itself makes a big difference. I have two rifles chambered the same in 300 mag one weighs 7 pounds and kicks like a mule. The other is built into a steel block and self contained bench rest, all together weighing closer to 20 pounds. You can fire it standing behind it and it doesn't budge. Your gun made of steel will have quite a bit of weight in its compact size.
Trying to figure out how to make a SCUBA first stage regulator work for portable charging station. If only that pesky job thing didn't keep eating up all my time...

"Only two things are infinite, the universe and human stupidity, and I'm not sure about the former." - Albert Einstein
User avatar
jackssmirkingrevenge
Five Star General
Five Star General
Posts: 26219
Joined: Thu Mar 15, 2007 11:28 pm
Has thanked: 582 times
Been thanked: 348 times

williamfeldmann wrote:I use a standard marine grade 2 part epoxy for some of my parts and it is more dense than water. It sinks good.

I do not know if it is lighter than aluminum or not. I would guess that it is lighter than solid aluminum bar stock that you mentioned. However, aluminum bar tube might give it a run for its money.

Foam would be an alternative however you will need enough epoxy around the foam to withstand pretty intense pressures.
Aluminium has a density of 2.7 g/cm<sup>3</sup> while the epoxy I use is about half as dense, I doubt yours can be much heavier.

I wonder if the ideal in this case would be the bolt-and-two-disks sort of construction like the one that MaxuS posted recently, though perhaps substituting the wood for tougher metal disks.
hectmarr wrote:You have to make many weapons, because this field is long and short life
User avatar
williamfeldmann
Specialist 2
Specialist 2
Posts: 216
Joined: Sun Sep 09, 2007 6:55 pm
Location: Ames. Iowa, middle of BFE

I would say that the bolt and disk piston would probably hold up better at that kind of pressure. My highest pressure experince is around 300 and it was a simple ball valve and burst disk, so I have no idea what the effect would be on epoxy hitting the back of the valve like that.

Wood could handle the pressures although I am worried about the abuse of slamming back into the piston housing. That could be rough on wood, especially the lightweight woods. Metal might be the way to go although it adds weight.
Trying to figure out how to make a SCUBA first stage regulator work for portable charging station. If only that pesky job thing didn't keep eating up all my time...

"Only two things are infinite, the universe and human stupidity, and I'm not sure about the former." - Albert Einstein
User avatar
daccel
Specialist 2
Specialist 2
Posts: 238
Joined: Thu Oct 11, 2007 9:51 pm
Location: BC, Canada

The bolt and disk idea sounds good, it would be easy enough to grind some washers down to fit, and easy to repair. Sounds like recoil isn't going to be a problem given the weight of the fittings - they're like 1/2" thick!:shock:

Well the piston housing is on its way, time to go washer shopping. Thanks for your help guys! I'll update as it progresses.
User avatar
daccel
Specialist 2
Specialist 2
Posts: 238
Joined: Thu Oct 11, 2007 9:51 pm
Location: BC, Canada

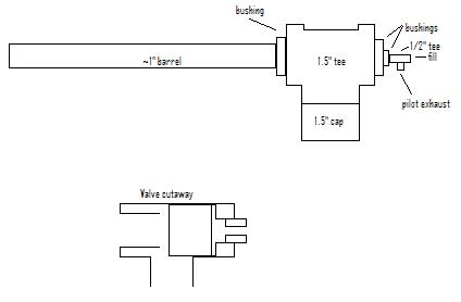
Finally parts arrived! 3000# sure are solid :P . Don't have time at the moment to build it but I mocked it up to see what it looks like. Don't have the pressure washer gun yet but that's the style I'll get. Ended up getting a 1" tee due to costs, the barrel is aluminum 1"OD, 7/8"ID...I may have to sleeve the first bit for strength. Decided to go with a bolt/washer piston for strength, as pictured it weighs 62 grams minus whatever portion of the bolt I end up cutting off. I think the barrel will be sealed in the nipple with orings so that the projectile can be as close to the piston as possible and by not notching the barrel in half and using a sleeve over it sabots will stay together better. I'll probably end up putting it together soon and just testing with a bike pump and then do high pressure tests and build the shell/integrated silencer over winter break when I have more time/money.
Attachments
cannon mockup.jpg
User avatar
TwitchTheAussie
Corporal 5
Corporal 5
Posts: 980
Joined: Tue Feb 06, 2007 3:23 am

Ok of the few things Ive messed with and never posted high pressure pneumatics are something you want kept nice and simple. Use a decent ball valve as a pilot and DO NOT use it hand held if your running it at 1500 psi. 500 psi blew out a tripod I made. Make it like a big artillery cannon. Thats all I can say.
Raise your horns if you love metal.
spudgunning is like sex, once you've tasted, you can't wait til next time.
-
CpTn_lAw
User avatar
chaos
Sergeant 3
Sergeant 3
Posts: 1205
Joined: Wed Jan 17, 2007 8:31 am

those triggers are rated to 1500 or there abouts, dont worry on that one twitch, let it be.
Post Reply

Create an account or sign in to join the discussion

You need to be a member in order to post a reply

Create an account

Not a member? register to join our community
Members can start their own topics & subscribe to topics
It’s free and only takes a minute

Register

Sign in

  • Similar Topics
    Replies
    Views
    Last post